FNA II Fischer nail anchor
Nail anchor with thread and collar nut, designed for multi-point attachments.
Advantages
Easy dismantling of fireproof boards without the risk of damage.
Multiple use of fireproof boards.
Safe anchoring, especially when exposed to vibrations, wind and other dynamic loads.
Shallow anchoring depth (30 mm)
Convenient installation without the use of torque-controlled setting tools.
An anchoring system that has proven itself millions of times.
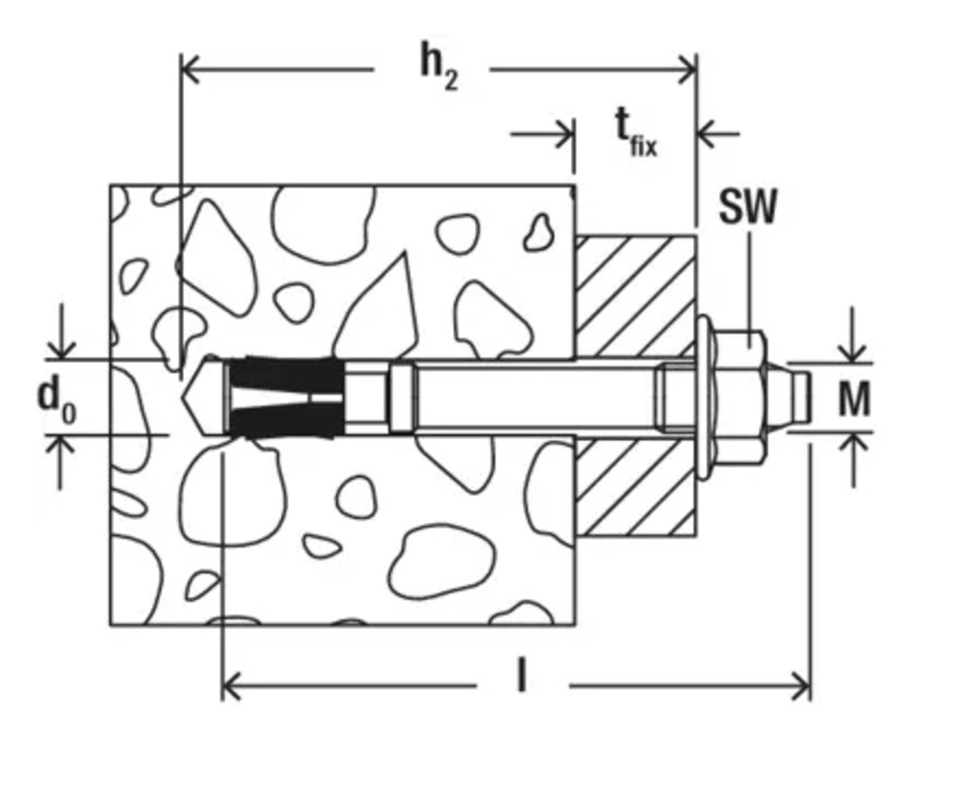
The fischer FNA II M6 anchor with thread and collar nut is made of galvanized steel. The nail anchor is primarily designed for fastening ventilation systems and mounting rails. The FNA II M6 anchor is set with several hammer blows using the push-through or pre-assembly principle. Torque-controlled tightening is not required, which results in short installation times. The installed FNA II anchor is automatically expanded during loading. The cone is pulled into the sleeve and expands it against the hole wall.
Product inquiry form
- Group
- 5687
